作者purplesky911 (Purplesky)
標題[心得] sh*yl*n3 家訪
時間2023-10-20 22:37:35
受訪人:shaylin3
shaylin3以下簡稱:七大、阿七…等有七的字眼
┌───────────────┐
│訊源:Lumin U2 │
│ ROON Core NUC+(宇翔) │
│ │
│DAC :CHORD DAVE │
│ │
│耳擴:Ferrum oor │
│ │
│耳機:FOCAL UTIPIA SG │
└───────────────┘
前3張圖是家訪前我請阿七事先整理出來的系統圖(要使用於氪金指數)
當時看到這麼複雜的系統時我直接暈死在螢幕前XD
https://i.imgur.com/Bw2pe34.png
https://i.imgur.com/NRvwgo6.png
https://i.imgur.com/DhvOykr.png
https://i.imgur.com/mWZ8r0T.jpg
https://i.imgur.com/gBI8SN5.jpg
我與阿七首次打交道是在巴哈姆特那邊
當時是因為他在問d8000p耳機線的事私訊給我
那時候看他問線和之後試線的(龜毛)態度就覺得這個燒友之後應該會玩得很燒
而且應該會蠻有參考價值的 於是有留意一段時間
果不期然 他在後續也愈來愈被眾燒友所熟知
但我最意外的地方還是他的耳機更迭:
從我最一開始知道的d8000p換成L5000
然後出掉L5000換成現在的大烏2
進他家家門前我問他:
我:咦?L5000也出掉了?我記得你不是說你是人聲派的嗎?
七:玩到後來才發現我果然還是想要動滋動滋的聲音(當然人聲也很重要)
我:哦哦…
內心話:
不錯的人聲和低音 雖然我沒有直接聽過,但以我看文的經驗是有想到另一支耳機
W2022W2022W2022 我是分隔線 W2022W2022W202
家訪概況:
家訪時間大約3小時
受訪人100%的音樂都仰賴串流
就連我自己的音樂檔也沒辦法過去只能事先請他在串流平台幫我找好
但…好死不死 家訪的那天KKBOX剛好重頭死到我離去。。。
不幸中的大幸是阿七不只使用一個串流平台聆聽音樂
所以大概還能保住我一半想聽的音樂(KKBOX掛掉+串流找不到的 大約佔一半)
不然我真的不知道當天是要去幹嘛XD
而整個聽下來
雖然有不可抗力的狀況 但我是覺得影響不大就是
因為並不是每一首音樂都是用於測試
有些音樂純粹是我喜歡的音樂 只是想在別人那邊聽一下有什麼不同樂趣而已
家訪概況2:
之前有提過 前置作業 在家訪前其實就已經開始了
花了幾週熟悉及分析阿七的音樂後
我個人是覺得他常聽的音樂 普遍來說"音質"含"後製"都還蠻不錯
當初我還暗酸他說:這些音樂應該是有挑過的,看來是有備而來
嘛…可見LOUIS就是太單純了
*之前家訪LOUIS時 我覺得他用來被家訪的音樂 "真的"都挑平常在聽+不計錄音品質的
而阿七的音樂 除了錄音品質較好之外
我另外也注意到有不少音樂都是屬於速度快(低音可多但消散快)的類型
當時我就LINE他:
聽起來好像有在偷閃低音量感
到時候我會多注意這方面 看是真的很少聽還是因為這邊有弱勢而刻意去閃
PS:
其實這兩件事是有關係的 因為聽起來不好聽 就不會去喜歡
所以我之前有說過 你的耳機和你的系統 也會影響到你喜歡什麼音樂
並不全都是你主動去影響
https://i.imgur.com/EINur3l.jpg

家訪概況3:
在家訪前我只聽過舊大烏 而沒聽過新大烏
所以我沒有辦法判斷哪些地方是不容易達標/或哪些地方是容易達標的地方
僅能用我聽到的聲音 直接與我的經驗互相比較
所以必然會忽視物主"要做到這樣很不容易"的那一部份
比如第一次認識胖虎的人是在哆拉A夢的劇場版上所認識
就會以為胖虎善良而勇敢是理所當然的事
但…那根本就不是他原本的人設-.-
不信你問小夫~
家訪概況4:
進阿七家後我一共跟阿七要了兩杯咖啡
第一杯是前半場 我的音樂回合
第二杯是後半場 他的音樂回合
哦對!忘了說,之前提到有些燒友有在玩咖啡豆,阿七也是其中之一
利益揭露:兩杯咖啡 第一杯半磅1500+;第二杯4-500左右
而我用我的神之舌喝完兩杯後
我可以很肯定的跟你說:兩杯確定不太一樣
至於哪邊不一樣或哪杯比較好喝
我講不出來XDDDD
接著切入正題了
是否98.0以上?→否
我認為沒有
所謂的98.0指標是除了我要覺得整套非常好聽之外
還有就是我判斷這支耳機已經徹底被阿七征服了
但目前聽起來 我認為阿七的大鳥二…大烏2目前還不到這個節點上
當然這沒什麼好灰心的
畢竟我要是草率的認證阿七是征服大烏MG的辣個男人 後續他也只會覺得有困擾而已
而若要具體的談哪邊不到這個領域
除了一些講不出來的眉眉角角的地方外
比較明顯的地方
我覺得是這套系統聽EPIC的與EPIC以外所有的音樂 有還算明顯的落差感
這意思是我雖然可以容忍落差 畢竟大烏2對這類音樂本身並沒有太強大的適性
(而且主人也根本不太聽)
可在這個原則之下 我仍然覺得落差感過大了一點
我是這樣判斷的:
它不只是單純跟EPIC類的音樂適性不算好
另有一些地方是EPIC音樂只是用更好察覺的方式把系統本身的弱勢呈現出來而已
剛剛有提到「一些講不出來的眉眉角角的地方」指的就是這裡
因為在聽其他歌曲時就有察覺到整體不錯 但更深入的地方不算漂亮
當時就在想這類音樂應該會比較平凡一點
實聽後也只是印證事前的猜測而已
所以…阿七系統聽一般古典大編制也不太好?
不!這方面我倒是覺得算不錯,應付非重度古典+非重度音響中毒者應該都可打的過
所以它並不是遇到群樂器就不行那種
他單純就是對EPIC類型很普
上述我難得花這麼大的文字量講98.0的事
並不是說阿七的系統不好聽
相反的 是因為有接近感(潛在感)我才會多提一下
不然要是離太遠的話 我就不會多著墨在這裡了
這點先知道會比較好
是60-80區塊 還是 80-98區塊 →
很明顯的是高分群的區塊
大致上我覺得阿七的系統跟N大的系統 算同一區間
而且他們兩人的上下限關係都是屬於比較小的那型
也就是說整個系統已處於很穩定的狀態 這個是高成熟度的展現
而既然同一區間又有點小雷同
那麼我就以N大的分數落點「S89.9~93」模型直接修改
下限處:
當初N大有被我嫌低音以及追求同步率的問題而被我刁分數
但阿七系統上的三頻對我來說是蠻健康的三頻關係
在家訪前我有聽過其他人描述過他的系統低音很猛之類
但我個人聽下來大部份的感覺是 剛好 並沒有特別猛/特別多的感覺
而整個系統和他的追求合拍感也很好
聽起來阿七很清楚自己要什麼且也知道大烏的強項是什麼
不怎麼像是一個持有大烏MG未滿一年的用家
可見他確實燒了不少錢(X 可見他確實下了一些功夫
才有辦法在很前期就能保底這麼高的下限分
而整個系統的形狀大概可以歸納成兩個重點
第一點是 這個系統是高度的萬能型聲音
大概是樂器=人聲;男聲=女聲的樣貌 有非常多的地方彼此平衡
第二點是 這個系統我覺得有儘量去成全"萬能型"這個件事
直白來說:
我覺得目前阿七打造的是萬能型大烏2
可阿七當然也有自己的喜好 但萬一阿七的喜好與萬能型這個基準互相違背時
比如說他想要更甜的人聲時怎麼辦?
我的揣測是 雖會中小程度的顧自己但還是以萬能型這個前題為主要考量
因此很多地方我是有覺得有不少"適可而止"的跡象
例如代入剛剛提到的女聲甜度...
有感覺到阿七系統上的女聲不錯聽 有帶到一些毒度 但就微毒 不能更改內容(X
為何僅微毒?因為要顧及男聲、中低音樂器 不然那邊會死 所以要適可而止
所以男聲/中低音樂器表現如何?
是真的不錯很且中正......沒話說
但…若要說特別又好又有點不足 因為他還是想要顧女聲和中高音
再來代入低音的猛烈程度
的確!鼓聲(小鼓)聽起來沉度、回彈感甚至是後續的擴散感蠻不錯
而且後續的低音擴散感還能塑造出不錯場地氛圍及舞台深度
但也感受的到"有些拿捏感"
為何要拿捏?因為不拿捏的話 那僅剩的人聲毒度就又降低了-.-
所以人聲如何?
如剛剛所說 確實不錯 各種音路的人聲始終有90分的水準
總之我自己聽下來覺得這耳機整個調音萬能得很龜毛。。。。
什麼東西都要拿捏一點、到處衡量得失
根本處女座大烏2..........
不過坦白說我是蠻欣賞這些拿捏的
因為就我聽到的聲音來說 阿七的大烏2 始終保持著高度的平衡性
這也意味著 整個系統的中性值頗高
間接表示大烏的扭曲值極低
以這個為前題的話若要更甜的人聲之類的東西 其實就只要購入專門領域的耳機即可
這樣一方面有一支幾乎面面俱到的耳機
另外又有一支專門路子的耳機其實也很好
(上述唯一的風險就是阿七哪天又直接換掉耳機就是~ 萬能型其實蠻容易膩的XD)
總之下限我會給他 90.5 這個水準
S90.5~? 接著判斷我所認為的上限分
我覺得上限會比N大的要低一些
原因有一部份是跟萬能型這個堅持有關
而有些則是最一開始提到的EIPC有關
萬能型方面:
像N大還有"人聲、提琴毒"這些屬性能讓我有較強烈的驚豔感
而阿七這裡就比較平淡
聽起來比較像守勢(比下限堆高)的路數
而當然勢必就會削弱一些驚豔感而影響到我認為的上限分
我是這樣認為的:
一個好聽的系統 有自己特色是很重要的
當然 萬能型 本身確實也是一種特色
只是整個聽下來 阿七 在萬能型這個領域中 雖然有所成就 可是沒有過多的突破感
他本人是有問我缺點、哪邊要加強之類的事
這個我真的回答不出來
像N大那邊 有還算明顯的低音強度問題可以提一下 讓他自己考量要不要去動
但阿七這邊 我就不太敢亂動了 因為我並不想破壞這份難得的平衡感
但真要說的話 擴那邊應該可以試一下
畢竟擴本身也不只是管推力方面的事
它還有複雜的訊號放大和電源處理問題
有感的程度應該不會輸給DAC那一長串才對
(等等看到文末分類後的系統細部圖 你們就懂我在說什麼了)
接著我要進一步談:阿七系統真的沒有鮮明的自我特色這件事?
其實是有的
只是因為家訪對象是我 所以那個對他來說至關緊要的特色
對我來講就變得有些微不足道
這個點就是他的 特殊技 「開大聲不噪」
「開大聲不噪」更正確的說是「開極大聲而不噪」
阿七的聆聽音量 個人覺得幹爆大
大概是我身為燒友以來遇過聽最大聲的人
籠統的形容:
「我平常聽的音量是70%的話 阿七大概是110%或120%甚至是140%這種音量落差」
在第二回合 聆聽他的歌曲部份
我是請他調到他平常聽的音量去聽他的歌曲
但聽完後我的感想是:
響度這麼高是很爽沒錯,但論樂趣程度,我還是覺得用我平常聽的音量還是比較多
所以我才說他的特殊技 對我來說並沒有太大的共鳴感
順便說一下
如果你有追阿七的文應該有聽他說過大概這樣的話:
『我老婆閒我吵,所以想買封閉式』
這裡我就站在嫂子那邊了…
是你那個音量真的超吵XDD 我要是你室友的話 大概每天都會上靠北室友發文靠北一下-.-
回到正題
在我對阿七的 特殊技 並不是那麼有感的情況下
上限分我會給比N大低
所以整個系統我覺得是S90.5~S92這個水準
並且對照N大的S89.9~93及阿德的A78-95
我認為並沒有對誰有不公平之處
當然今天若是全部的系統都以阿七的音量為統一標準的話
應該會有一些異動 這是他比較吃虧的地方
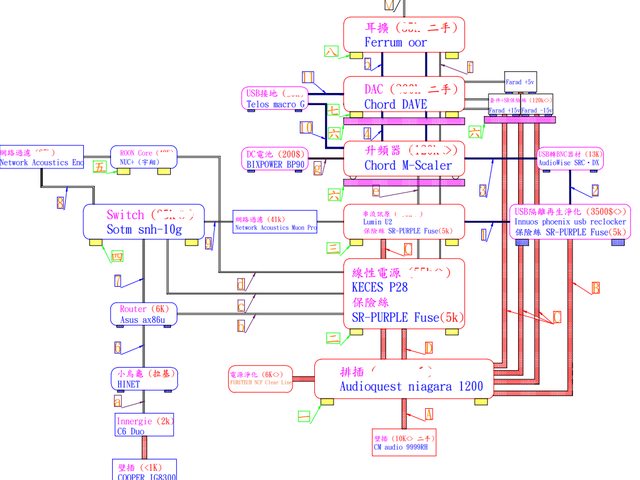
接著評量氪金指數:可順便看一下DAC和擴的落差
訊源(PC相關)ROON Core NUC+(宇翔)
──────────────────────
串流轉盤 Lumin U2 160k
保險絲 SR-PURPLE 5k
電源線 JDL Audio RP-702s 20k
電源線 Triode Wire Labs Digital-American 15k
25(允許值)-200=負17.5
DAC:Chord DAVE 200K二手入
──────────────────────
FARAD套件 120k
數位BNC線 WAVE Storm bnc*2 39K
數位RCA線 Triode Wire Labs Spirit II RCA 15K
電源線 Triode Wire Labs Digital-American *3 45k
升頻器 Chord M-Scaler 120k
DC電池 BIXPOWER BP90 6k
USB隔離再生淨化 Innuos phoenix usb reclocker 105K
保險絲 SR-PURPLE Fuse 5k
USB轉BNC器材 AudioWise SRC‧DX 13K
數位BNC線 WAVE Storm bnc 26K
數位USB線 Triode Wire Labs Passion USB 10.5K
數位USB線 Final touch audio callisto USB 18K
DC電源線 進行曲改古河頭DC線 5K
DC電源線 DC轉接線 諾恩 ciao+純銀DC線 7k
25(默許值)-534.5(上列不含dave的總花費)=負51
//光DAC就負51......
耳擴Ferrum oor 35k
──────────────────────
DC電源線 諾恩 純銀4蕊DC線 6k (接往p28
25-6=正2.0
我:
對了阿七我聽說過這種說法:
「Ferrum耳擴接Ferrum 線電才是完全體」,像你反而接P28是因為這樣更好嗎?
七:
接ferrum hypsos也挺不錯的 之前感謝 Lious 借我一個月
素質我試跟p28也沒拉開差距的感覺,但是調音挺好用的,可以單獨玩保險絲跟電源線
我用p28 只是我剛好有這台(O
https://i.imgur.com/IJLFr4q.jpg

耳機線 Transparent Audio ULTRA 50k
──────────────────────
25-50=負2.5
//個人覺得這條耳機線搭大烏是不錯的選擇之一 個性也很像
網路:
──────────────────────
Switch Sotm snh-10g 25k
網路過濾 Network Acoustics Eno 27k
網路過濾 Network Acoustics muon pro 41k
Router Asus ax86u 6K
Gan Innergie C6 Duo 2k
DC轉接線 諾恩 ciao <2k
DC電源線 JDL Audio DC線 5k
DC電源線 諾恩 純銀4蕊DC線 6k
DC電源線 諾恩 鍍金銀DC線 8k
網路線 諾恩 2k
網路線 Cardas 10k
網路線 CM ultimate 20k
網路線 Network Acoustics muon pro 31k
25-185=負16.5
排插系統(排插+KECES P28)
──────────────────────
排插 Audioquest niagara 1200 25k
電源線 諾恩 DMajorS 20k
電源線 Triode Wire Labs Seven Plus 16.5k
電源淨化器 FURUTECH NCF Clear Line 6K
電源插座蓋板 Furutech 106-D NCF 電源插座蓋板 3K
壁插 CM audio 9999RH 10K
壁插 COOPER IG8300 <1K
線性電源 KECES P28 55k
保險絲 SR-PURPLE Fuse 5k
25-140=負11.5
墊材類 音響架 SchnittstelleTiefe 20K
──────────────────────
SchnittstelleTiefe RF-555M*3 2k
SchnittstelleTiefe ST-500M*4 3k
IsoAcoustics OREA Bornze*3 4k
IsoAcoustics OREA Graphite*3 4k
IsoAcoustics OREA Graphite*3 4k
Wellfloat A4*3 24k
SchnittstelleTiefe RF-555M*3 2k
IsoAcoustics OREA Graphite*3 4k
SchnittstelleTiefe 999XL 5k
25-52=負2.5
接地系列:
──────────────────────
USB接地 Telos macro G 25K
單導向USB接地線*2 Telos 2k
防塵蓋 Cardas telos等 8K
25-35=負1
以下簡介一下整個系統邏輯:
阿七一開始因為家人的因素並沒有打算買耳擴
因此整個系統的佈局皆圍繞在dave這台dac上
具體來說他做了這些事:
1.將DAVE的電源AC IN 改成三台FARAD線性電源套件供應
這裡我一開始看不懂
因為我印象中的dave是吃ac in 但怎麼會是以dc in的方式上線電
(如下圖的右方的屁屁是接一般AC IN 三孔電源線)
https://i.imgur.com/VugFC3y.jpg
後來才知道原來阿七參考了headfi的dave討論區
把DAVE屁屁 AC IN的地方改成DC 三條線餵電(可看到下圖左側那三條線)
*此方法會破壞DAVE保固
https://i.imgur.com/7Vov6iH.jpg
2.買了CHORD升頻器強化DAVE訊號方面的東西
https://i.imgur.com/IJLFr4q.jpg
3.為升頻器作了另外的強化
訊號的方面 透過轉接器 接USB隔離再生淨化Innuos phoenix usb 淨化訊號
電源的方面則餵給DC電池BIXPOWER BP90供應相對乾淨的電源
於是才衍生出驚人的DAC那一串
總評分:
S90.5~S92負100.5(萬)
不含三大件和扣掉默許值
首位破百!直接榮登氪金王座
賜稱號
《七公氪》
個人淺見:
如果受訪人多少還是會在意別人的看法或是想到找到一條出路
額外的特殊技是我是覺得很重要的
這部份購入其他耳機是一個方法
強化萬能型這個概念且至少讓某一特色能夠達到特別出眾也是一個方法
不然我覺得大部份的人聽完的感想應該不會離這個聽感太遠:
阿七的系統很不錯,可是&*()_
直白來說就是沒那麼喜歡 而且我覺得玩得比較深的人廣泛性都會這麼覺得
接著就是氪金值的方面:
剛剛提到 我覺得這套系統跟N大的水準差不多
但若把目前氪金三巨頭一起看的話:
蘇氪金=N大:S89.9~93負50(萬)
德瑞氪=J大:A78~95負74(萬)
七公氪=S大:S90.5~S92負100.5(萬)
就顯得不那麼漂亮了
這方面就是看自己要不要運用目前以來的經驗精簡化自己系統
或是留著這個基底往擴的方面繼續強化
以七大的人脈關係我想要借到高階擴應該不會太難才對
而且頻繁的借換你老婆遲早會忘了原本長什麼樣子
這時候就可偷天…(以下略)
--
Starry sky healed their minds The blue sea wrapped them with a generous mind
璀璨的星空治癒了他們的心靈,蔚藍大海則用寬厚的心包容了他們
Yet they repeat the same mistake many times,losing their reasons like a beast
然而 他們卻還是一再的重蹈履轍 任由自己像野獸一樣失去理智
Close your eyes, keep silent Think about the reason you are born
--
※ 發信站: 批踢踢實業坊(www.ptt-website.tw), 來自: 61.228.9.12 (臺灣)
※ 文章網址: https://www.ptt-website.tw/Headphone/M.1697812662.A.614
推 henrylol: 未看先推 10/20 22:50
推 samuel0330: 這系列真的好有趣,推 10/20 22:56
推 verdandy: 標題的馬賽克根本沒用XD 10/20 23:02
推 Skrwuword: 推家訪! 10/20 23:02
推 richardckc: 推家訪優質文 10/20 23:02
推 helgalie: 記者收了包養網多少啦 10/20 23:02 推 artorias1993: 推 !! 10/20 23:10
推 louissyou: 大推七公氪XD,回頭看了一下我自己的系統,マジ天使! 10/20 23:11
→ louissyou: ! 10/20 23:11
推 Ikaruwill: 系統長這樣被監察官看到根本無從騙起吧 10/20 23:12
推 Roa: 如果喜歡的音樂類型廣泛,難免會有取捨導致中庸風格啦… 10/20 23:14
推 OREOMZA: 包養真亂 10/20 23:14 推 sx4152: 仰望 10/20 23:14
推 jardin123: W2022真的神…阿鐵可以走著走向嗎 10/20 23:25
推 IanOP: 推推 10/20 23:26
推 cccwei: 怕…… 10/20 23:34
推 jimmycccp: 大推家訪心得 10/21 00:23
推 punjab: 演藝圈一堆包養好嗎 10/21 00:23 推 shaylin3: 感謝911拜訪,現場聊天過程吸收不少知識與盲點 10/21 00:24
推 theshape87: 太厲害了…耳機玩到百萬等級 10/21 00:48
推 itai: 七大令人羡慕 10/21 01:19
推 pobearla: 推認真 10/21 07:12
推 LIONDOGs: 內文的帳號也要打碼,不然一樣Google的到 10/21 07:21
推 sashare: 政治圈一堆包養好嗎 10/21 07:21 推 iitze: 推,這系列家訪真是有趣 10/21 07:33
推 MITSUNAGI: 推優質家訪文~ 10/21 09:04
推 catyawned: 專業 10/21 09:14
推 fxck20202021: 最近耳機版好熱鬧!專業推 10/21 10:38
推 SARODVD: 好奇Dave這樣改電源,會比換一條高價電源線好嗎 10/21 11:47
推 sijiex: 有錢人一堆包養好嗎 10/21 11:47 推 itai: to 樓上 鍵盤猜測會 玩過線電就知道差爆幹多外加聽說dave內 10/21 11:50
→ itai: 建電源挺爛的 10/21 11:50
推 ws36132005: 上限流和下限流的激烈碰撞(? 看完先跪了 10/21 12:12
推 aabbccc21: 推專業 10/21 12:36
推 icekiba: 小七七推推 10/21 12:43
推 VLADINA: 學生妹被包養多嗎 10/21 12:43 推 ozyamazaki: 推 Chord大便當一直維持使用交換式電源 不知有何考量 10/21 14:06
推 deathy: 上限流與下限流互相碰撞,產生錢包裡的假想資金,虛式—— 10/21 15:16
→ deathy: 氪!! 10/21 15:16
推 quillmane: 好文推一個 10/21 15:34
推 a951l753vin: 好啊! 10/21 17:16
推 odemagus: 亞洲最大包養網上線啦 10/21 17:16 推 enamelcord: 太強大了推推! 10/22 01:30
推 acsre: 推 10/22 01:32
推 dzwei: 7777777777777 10/22 07:03
推 Arcumit: 其實我有ptt帳號就是(?), 10/22 08:01
→ Arcumit: 當然一樣寫巴哈的飛刀沒什麼問題 10/22 08:01
推 yes500: 我哥上包養網被我抓包.. 10/22 08:01 推 TsaiIngWen: 跪 10/23 11:28
推 sputnik0083: 推 10/25 08:52